сводка информацииРезюме
Kontrakten en facturen
2020-09-07 00:35:03
Er zijn nog bedrijven die nog eerlijk handel drijven maar helaas komen deze weinig voor. Weet vooral met wie je in zee gaat. Vooral grote bedrijven vooral nutsvoorziening die monopolie postie bekleden lijken echter hun klanten niet eerlijk te behandelen. Zo zou je verwachten dat een vervaldag van maandelijks betalingen voor een wel bepaalde dienst niet zou verschuiven.Ik ben tot de vaststelling gekomen dat een telecomreus na 5 jaar één extra factuur wist te bekomen hierdoor.
De ombudsdienst telecom ziet het probleem niet .
Je kan enkel deze voor de rechtbank brengen , dan zal je duidelijk de startdatum en tijd op papier dienen te hebben. Pappieren kontraken blijven de beste optie .En dan de vraag komt dan boven drijven is het sop de kolen waard rechtzaken zijn niet gratis.
VERMOGEN LEDspots
2020-09-07 00:12:33
Het heeft zijn weg gevonden vooral de hoge vermogenled's werden nog weinig gebruikt . Het is spijtig dat vele theaterzalen echter niet willen zien dat vermogenled lamp zuiniger is en gebruiksvriendelijker. Een 200w led moet echt niet onder doen voor de betere ontladingslampen. Enkel grotere profesionel projectors bvb barco zullen dit nog een tijd gebruiken. Gloeilampen niet vervangen lijkt me niet verstandig. Als je een werkende gloeilamp vervangt :door een ledlamp die meer licht afgeeft. dan zal dit ongeveer na 5jaar terugverdient zijn aan het minder verbruik van de lamp.Vooral gemeentes lijken het niet door te hebben, mogelijks zal dmx het struikelblok zijn.
Dit werd pijnlijk duidelijk in eeklo waar gloeilampen nog de norm zijn.
Streamplayer
2020-09-06 23:56:17
Barix heeft bvb een Exstreamer Store&Play het is nu op dit moment de kleinste streamplayer van het moment. Gemakelijk over het internet audio afspelen.
Ik moet het nog nader bekijken of het wel veilig is . De eerste bevindingen lijken veel belovend . Het heeft weinig bediening en het doet wat het moet doen . Ik vraag me soms af of console serieël nog van deze tijd is en hoop dat het dit ooit naar een interface komt die op alle computers aanwezig is bvb usb-b.
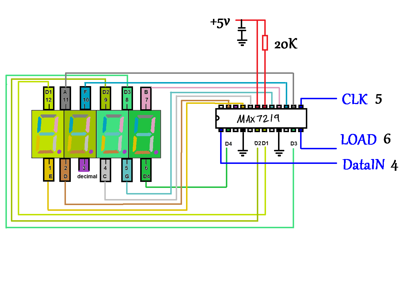
arduino with tmp36 and leddisplay
2019-10-26 01:19:32
/*
* velleman vma339
* pin 7 - pin8 - pin9
*/
#include
/*
* velleman arduino
* pin 2 - pin10 - spi
*/
#include
#include
int tempsensor1=A0;
int lcSize = 4;
float temp1TMP36 = 0;
/***********************************************************
* MAX7219 and 4x7 Segment LED Display
* DataIn pin 4 - CLK pin 5 - pin 6
**********************************************************/
int segdisplay[4];
LedControl lc=LedControl(4,5,6,1);
/**/
int CS = 9; // CS pin on MAX6675
int SO = 7; // SO pin of MAX6675
int SCKK = 8; // SCK pin of MAX6675
int units = 1; // Units to readout temp (0 = raw, 1 = ˚C, 2 = ˚F)
float temperature = 0.0; // Temperature output variable
MAX6675 temp(CS,SO,SCKK,units);// Initialize the MAX6675
/*out*/
const int output = 3;
void setup() {
Serial.begin(9600);
pinMode(output, OUTPUT);
pinMode(tempsensor1, INPUT);
/*
The MAX7219 is in power-saving mode on startup,
we have to do a wakeup call
*/
lc.shutdown(0,false);
lc.setIntensity(0,8);/*ardes,brightness*/
/* and clear the display */
lc.clearDisplay(0);
}
void loop() {
temp1TMP36 = analogRead(tempsensor1);
delay(100);
displayrun(getTempTMP36(temp1TMP36));
temperature = temp.read_temp();
if(temperature < 0) {
// If there is an error with the TC, temperature will be < 0
Serial.print("Thermocouple Error on CS");
Serial.println( temperature );
}else{
Serial.print("Current Temperature: ");
Serial.println( temperature );
}
delay(100);
}
void displayrun(float temp){
if(sizeof(temp)>4){
return;
}
int i;
int t = temp*100;
boolean dp = false;
int pos = lcSize+1;
Serial.print("temp :");
Serial.println(temp);
lc.clearDisplay(0);
for(i = 0;i < lcSize;i++){
segdisplay[i] = t%10;
t = t/10;
dp = i==2;
lc.setDigit(0,i,segdisplay[i],dp);
}
}
float getTempTMP36(float sensorVal){
float voltage=(sensorVal/1024.0)*5.0;
return (voltage-.5)*100;
}
Verhuizen
2017-05-14 11:05:25
Wat kost nu verhuizen.
Prive persoon
Eandis 19min werk 6vijsjes 300€ als de elektriciteit niet is aangesloten.Belofte (+/-130euro)
->keuring aib 115 euro zoals belofte.
->installatiekost min +/- 1000euro
->proximus(internet) 59 euro Belofte(gratis)
Eandis gas.
→ Deze melden mij dat er een keurder dient aanwezig te zijn(bij maken van afspraak nadat de verkoper anders vermelde) .
→ De persoon zou kijken maar: “Ik zou toch dienen te betalen” dus :afgeblazen.
harmonischen
2017-02-19 00:48:35
frequentie
2017-02-19 00:08:54
volume
2017-02-18 23:21:08
Plaatsing
2017-02-18 23:20:32
signaalmeter
2017-02-12 00:52:50

Dit is een signaal meter. Zeer handig om fouten te detecteren visueel van op een redelijke afstand het niveau te kunnen aflezen.
dit is een velleman kit heb ik zelf in een kistje gemonteert . Ik heb veel bewerkingen moeten uitvoeren aan de behuizing daar het ansers er niet in kon.
twee banen op de print doorgedaan voor de schakelaar er op te kunnen monteren en verder 9v batterij en connecties .
multimeter
2017-02-12 00:49:54
- A uiteraart kan je het toestel ook uitzetten tja een baterij blijft niet meegaan
- B kan je transitors uitmeten moet dan of hfe staan bij veel meettoestellen werkt dit niet of is het niet correct
- C ohm meten doormeten met een beep
- D gelijkspanning meten oude toestellen konden niet tegen wisselspanning op deze selectie voor nieuwe maakt dat niet meer uit
- E wisselspanning meten
- F-G daar worden altijd de meetpunten ingestopt
ampere wordt niet met dit toestel gemeten daarvoor heb je een ampere tang
luxmeter
2017-02-12 00:48:01

Licht sterkte meter meer om te bepalen hoeveel lux er aanwezig is in een ruimte.
kabeltester
2017-02-12 00:41:12
- A dit als d op test tone staat geeft het toestel op output een testtoon op verschillende volumes dit om de ingangen niet op te blazen dus mic is mic geen +4db
- B laat zien als pin 1 aan de behuizing ligt
- C reset zeer handig velen weten niet dat je daar de werkelijke kabel met test op onderberkingen merk op dat de lampjes die je er onder ziet branden zit er op die lijn een fout
- D uiteraart kan je het toestel ook uitzetten tja een baterij blijft niet meegaan
- E imtermitttent deze lampje gaan branden als de toestand verandert.Laten we zeggen als tip aan sleve liggen gaan er twee lampjes branden of als er een draad onderbroken wordt stel er zit een breuk in de kabel van pin 1 dan gaat het lampje branden want je kan niet zo snel kijken of het toestel zelf kortstondige breuk zal het lampje branden
pro's kunnen het niet missen en velen weten er niet mee om te gaan. maar als je het weet bespaart het je een zeer groot werk . andere merken hebben dan ook een speakonkabel detectie, deze helaas niet de kabelbreukdetectie hebben en deze is voor mij het belangerijkste waar andere merken dit juist vergeten zijn .